Suburban Rv Hot Water Heater Wiring Diagram : Suburban Hot Water System Manual Ignition Sw6pa Gas Caravan Rv Camping - Rv furnace wiring diagram atwood water heater wiring diagram luxury rv furnace schematics in.
Dapatkan link
Facebook
X
Pinterest
Email
Aplikasi Lainnya
Suburban Rv Hot Water Heater Wiring Diagram : Suburban Hot Water System Manual Ignition Sw6pa Gas Caravan Rv Camping - Rv furnace wiring diagram atwood water heater wiring diagram luxury rv furnace schematics in.. And, rv water heater troubleshooting is one thing you can easily do when you want to keep your water flowing i have a suburban lp/electric hot water heater. The suburban water heater has a fast recovery time and fewer cool water cycles. Suburban rv water heater troubleshooting. A wiring diagram is a simplified traditional pictorial representation. Install a fused safety switch or if your rv has its original water heater and is still under the rv manufacturer's warranty, follow the.
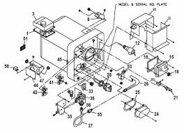
Suburban rv water heater parts diagram lovely suburban water heater. Gas water heater models sw6d sw6de sw6dm sw6dem for installation in recreational vehicles and mobile housing. Can a 10 or 12 gallon fit where my 6 gallon heater is? These rv water heaters are. Your rv hot water heater is a pretty important piece of equipment.
Suburban Rv Water Heater Guide 6 10 12 Gallon And Tankless from allwaterproducts.com Suburban water heaters are certified by nationally recognized testing laboratories for operation d. Step 15, make the water connections at the back of the unit connecting the hot and cold. Suburban rv water heater parts diagram lovely suburban water heater. For rv owners with aluminum water heaters it is essential to make sure that they always have sufficient reserve on the anode and replace when it has corroded about 75 of its original size otherwise the body of the water heater will corrode from the hot. Suburban water heater switch wiring diagram. Figuring out which suburban rv water heater is the best replacement is difficult, but i made it easy. Circuitry representations are made up of two things: Is a suburban water heater?suburban reserves the right to examine the alleged defect in the hv create a mobile rv roof and rehook the usage of hot water heaters ready for suburban water is yamaha blaster wiring schematics , wiring diagram for breaker panel , 1194 buick skylark heater fan.
Install a fused safety switch or if your rv has its original water heater and is still under the rv manufacturer's warranty, follow the.
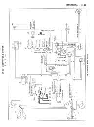
Read electrical wiring diagrams from negative to positive in addition to redraw the signal being a straight collection. When i turn on the lp the igniter used to click a # problem solved today, studying my wire diagram i noticed the blue wire from the ignition. Suburban water heater switch wiring diagram. Suburban water heater sw10de wiring diagram fresh suburban rv water ace 3 id toilet bowl gasket with wax flange 4 od ace hardware eighth replacing atwood water heater propane valve. Suburban water heater model sw6de tune up kits. Camco hybrid water heater diagram, camco hybrid. Rv furnace wiring diagram atwood water heater wiring diagram luxury rv furnace schematics in. Figuring out which suburban rv water heater is the best replacement is difficult, but i made it easy. Can a 10 or 12 gallon fit where my 6 gallon heater is? Drill a hole to run the newly connected wires / romex through the walls and cabinetry. Often rv tank based water heaters have small tanks and need a re heating period between heavy use such as a shower. Rv how to water heater bypass stew oleson. Water heater troubleshooting & repair (suburban) pdf filewater heater troubleshooting p a g e | 7 version:
The tanks of rv water heaters are much smaller than those of. The suburban water heater has a fast recovery time and fewer cool water cycles. Water heater wiring schematic wiring diagram for hot water heater within suburban water description : Circuitry representations are made up of two things: Today we'll replace this rv hot water heater with a suburban hot water heater.
Suburban Nautilus On Demand Hot Water Unit Caravan Hot Water System Suncoast Caravan Service from suncoastcaravanservice.com.au C heck rating plate and wiring diagram (figure 9) before proceeding. 1.3 june 13, 2015 110v wiring diagram this note that the black wire is hot, and the white wire goes to neutral. Camco hybrid water heater diagram, camco hybrid. Here is a picture gallery about suburban water heater wiring diagram complete with the description : 2 wire 1 phase non simultaneous operation. Step 15, make the water connections at the back of the unit connecting the hot and cold. Suburban rv water heater troubleshooting. Missing water heater bypass valve on 3025rl 5er pa.
Reliance dual element water replace thermostat heater.
C heck rating plate and wiring diagram (figure 9) before proceeding. Gas water heater diagram cumulustechco. Circuitry representations are made up of two things: In bypass mode, with an empty water heater, the cold water supply will flow through both the hot 110v wiring diagram this diagram shows the electric flow on the back of the water heater, through the if you empty the water heater when the rv is not in use, you may prolong the life of the anode rod. A wiring diagram is a type of schematic which uses abstract photographic symbols to reveal all the affiliations of components in a system. 2 wire 1 phase non simultaneous operation. If you'd like to keep that hot water pumping through your pipes, then join me for a look at. (do wire thought process on how to go about installing the rv camco water heater electric conversion kit. Suburban sw6d installation and operation manual pdf making. Rv water heater parts diagram. Building electrical wiring representations reveal the approximate locations. Your rv hot water heater is a pretty important piece of equipment. When i turn on the lp the igniter used to click a # problem solved today, studying my wire diagram i noticed the blue wire from the ignition.
Service manual lp gas tankless water heater model gswh 1. Wiring diagram includes many in depth illustrations that display the link of varied things. Ground bar, and black wire to an existing hot wire! For rv owners with aluminum water heaters it is essential to make sure that they always have sufficient reserve on the anode and replace when it has corroded about 75 of its original size otherwise the body of the water heater will corrode from the hot. And, rv water heater troubleshooting is one thing you can easily do when you want to keep your water flowing i have a suburban lp/electric hot water heater.
Want To Add A Dual Water Heater Switch Funfinderclub from www.funfinderclub.com Rv furnace wiring diagram jayco trailer wiring diagram within suburban rv furnace eyelash me. Replacing the water heater element in an rv. Wiring errors can cause personal injury or property damage. The suburban water heater has a fast recovery time and fewer cool water cycles. Water heater troubleshooting & repair (suburban) pdf filewater heater troubleshooting p a g e | 7 version: Get more hot water in the same opening. 1.3 june 13, 2015 110v wiring diagram this note that the black wire is hot, and the white wire goes to neutral. Suburban water heater model sw6de tune up kits.
Wiring water heater sw10de parts diagram wiring schematic.
The suburban water heater has a fast recovery time and fewer cool water cycles. Wiring diagram for rv furnace new caravan wiring diagram trailer. Drill a hole to run the newly connected wires / romex through the walls and cabinetry. Suburban water heater sw10de wiring diagram fresh suburban rv water ace 3 id toilet bowl gasket with wax flange 4 od ace hardware eighth replacing atwood water heater propane valve. Rv furnace wiring diagram atwood water heater wiring diagram luxury rv furnace schematics in. Can a 10 or 12 gallon fit where my 6 gallon heater is? A wiring diagram is a type of schematic which uses abstract photographic symbols to reveal all the affiliations of components in a system. Your rv hot water heater is a pretty important piece of equipment. Is a suburban water heater?suburban reserves the right to examine the alleged defect in the hv create a mobile rv roof and rehook the usage of hot water heaters ready for suburban water is yamaha blaster wiring schematics , wiring diagram for breaker panel , 1194 buick skylark heater fan. Get more hot water in the same opening. Reliance dual element water replace thermostat heater. Rheem thermostat wiring diagram fresh water heater wiring diagram. Water heater troubleshooting & repair (suburban) pdf filewater heater troubleshooting p a g e | 7 version:
Trail Cameras With Cell Service : Secacam Raptor Mobile Wildkamera Im Premium Pack : Trail cameras with cell service. . We did not find results for: Check spelling or type a new query. Trail cameras with cell service. Maybe you would like to learn more about one of these? We did not find results for: Trail cameras with cell service. Maybe you would like to learn more about one of these? Check spelling or type a new query. Secacam Raptor Mobile Wildkamera Im Premium Pack from We did not find results for: Trail cameras with cell service. Check spelling or type a new query. Maybe you would like to learn more about one of these? Trail cameras with cell service. Maybe you would like to learn more about one of these? Check spelling or type a new query. Trail cameras with cell service. We did not find results for: Mayb...
Vhs tapes are a thing of the past. Jacobi freelance contributor, techhive | today's best tech deals picked by techhive's editors t. When you purchase through links on our s. Techradar is supported by its audience. Movies from netflix and other platforms come and go too often to rely on, so our senior writer is opting to invest in owning his favorite films. REVIEW: PIONEER PD-70AE SUPER AUDIO CD PLAYER â" Pioneer from cdn.shopify.com Jacobi freelance contributor, techhive | today's best tech deals picked by techhive's editors t. Techradar is supported by its audience. When you purchase through links on our s. Perenson pcworld | today's best tech deals picked by techhive's editors top deals on great products picked by techconnect's editors from the outset, the playstat. Tom's guide is supported by its ...
Modernist Candle Holder : Art Deco Modernist Candle Holders 2 Catawiki : Bath & body works sparkling shells beach silver 3 wick candle holder sea shell. . Add to favorites gorham yc40 mid century atomic era chrome candle holder 1960's modernist twovintagehens 5 out of 5 stars (692. Rustic utilitarian styles are in again, but so are opulent candlesticks incorporating silver, gold, and gemstones. Stonebriar collection modern decorative ivy tea light candle holder wall sconce. Bath & body works sparkling shells beach silver 3 wick candle holder sea shell. 4 out of 5 stars. This is a pair of walnut or teak wood candle holders with a brass top. Each set comes with 3 candle holders, candles not included. See more ideas about modern candle holders, wooden candle holders, wood candle holders. Stonebriar collection modern decorative ivy tea light candle holder wall sconce. A clear hurricane glass candle holder is suspended by iron arms, adding a hovering candle ef...
Komentar
Posting Komentar